★难点聚焦
●项目调研
(一)高程分析
(二)坡度分析
(三)坡向分析
(四) 土地利用现状
●核心思路
开发思路:创新旅游文化、演绎全新的军事旅游主题,以万宝沟军事乐园为核心载体,以军事文化、长城文化、迁安文化等多元文化交融为底蕴,整合军事文化、山水、农业、森林、民俗等独具特色的文化生态元素,以军事娱乐、休闲为突破,撬动旅游市场,打造国家级长城军事文化创意旅游示范区。
本规划首次提出“6+1”模式,即生态做野趣环境,教育是根本,文化做个性,娱乐、休闲、度假做盈利。把万宝沟军事乐园建设成“国家级长城军事文化创意旅游示范区”、“华北军事文化创意旅游区龙头”、“华北国防军事教育示范基地”及国家4A级旅游区,以此带动迁安市第三产业的发展,为迁安市经济建设作出积极贡献。

功能分区图

总平面图
植物种植规划图

入口标志性景观大门立面改造尺寸图
屯戍码头方案一顶立面尺寸图

坦克酒堡顶立面尺寸图
农业军事文化餐厅鸟瞰图
四星级公厕
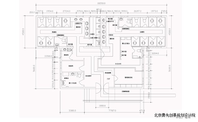
四星级厕所平面图
全景牌正立面尺寸图
被甲方采用的企业logo
●后期效果:通过迁安市规划局评审,项目一期已经建成,并成功运营。